Ремонт усилителя Вега 10У-120С
Однажды, не важно где и когда, глаз зацепился за знакомые с детства очертания и цвета, ввиду того, что состояние пациента было плачевное, чего он ну никак не заслуживал, то и стал я обладателем советского усилителя Вега 10У-120С. Приперев его до дому, протер тряпочкой и включил - дыма не было, автоматы не вышибло - что внушило некоторый оптимизм. Опосля раскрутил корпус - и взору предстала картина запустения, в виде пыли, опилок (он в сарае хранился), мумий крыс и мышей (шутка, слава богу тараканов не было), вытекшего электролита из конденсаторов. Всплакнув о его не легкой судьбе были засучены рукава на предмет ремонта, о чем и будет дальнейшее повествование.
Начал я с полной разборки корпуса и сразу же в глаза бросилось состояние электролитов:


Все корпусные детали пошли в помывку - фотографий не делал, что там смотреть? Работа была отложена на несколько дней и дождавшись закупленных конденсаторов, начал это дело менять (отмечу что паяльник с олово-отсосом, в лице единого устройства, это прям нужное нужно).


Результат:

Горстка запчастей, включая один из оставшихся разьемов для подключения акустики (второй уже был удален и заменен на RCA до меня). Разъемы эти были заменены на новые такие же.

После частичной сборки и замены конденсаторы в блоке питания с 5000 мкф на 10000 мкф 25В.

Начались тест, при помощи самодельного проигрывателя компакт дисков (о нём возможно будет статья позже):

После нескольких дней прослушивания разного, радость от удачного ремонта была омрачена досадной неприятностью - пропадал правый канал, и после отключения и включения питания звук восстанавливался. И тут начались поиски информации, схемы, описания и вообще пути решения проблемы. Время шло, мозги кипели, и в один прекрасный момент был определен сбойный "блок" - это защита выходных каскадов от короткого замыкания выходов, ибо поведение характерное (возобновление работы после выкл/вкл питания)
Процесс:

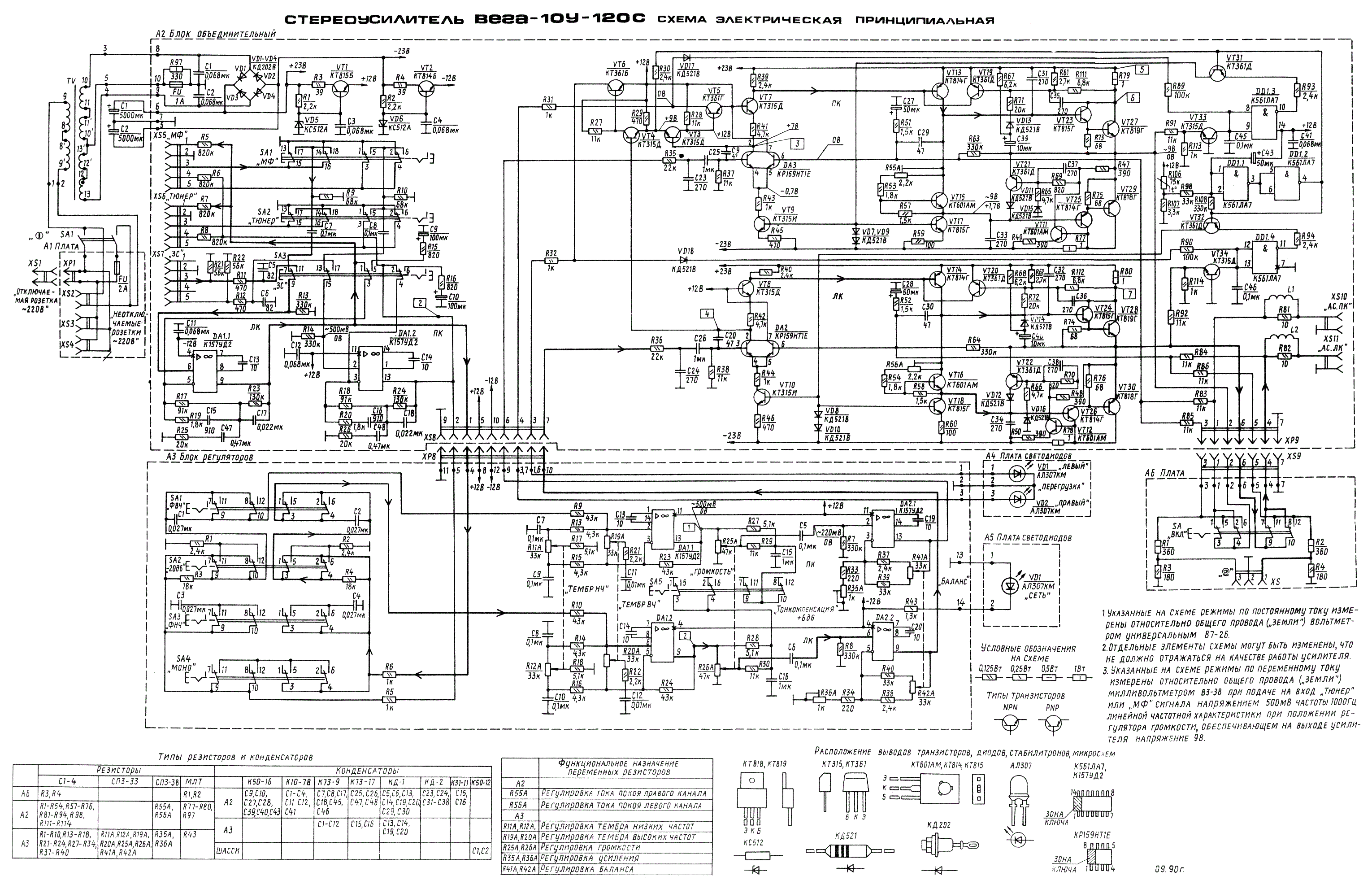
Далее будет описание по схеме (в полном размере посмотреть можно ткнув правой кнопкой в картинку и открыть в новой вкладке или окне, аналогичным образом можно поступить и остальными фотографиями).

Попутно можно скачать описание работы и устройства (файлы найдены в сети, потому спасибо тем кто их там разместил)
Первым делом был заменен транзистор VT33. И вот затаив дыхание несколько часов слушаем smooth jazz ... но чуда не произошло и проблема поторилась. Далее путем мозгового шутрма, было решено привлечь более опытного и искушенного в этих делах товарища. Совместными усилими и при помощи удаленной диагностики (напоминающую удаление гланд по телефону) и замеров напряжений, круг сузился до дифф. усилителя, который и заряжает злополучный конденсатор C45 на входе 9 микросхемы DD1.3 системы защиты.
Таблица замеров:

В общем транзисторы VT3 и VT5 были заменены на аналогичные, диод VD17 на 1N4148. И о чудо! Усилитель проработал в течение 10 часов без повторения проблемы с отключением канала. Второй день усилитель проработал в течение часов 8, а до этого он после 3-4 часов отключался. Т.е. делаю вывод - что ремонт удался. Радость была пусть и не безмерная, но таки удовлетворение от успешной работы получено.
Надо отметить тот факт, что проверка деталюшек на спец.тестере показывает полную их исправность. Но по поступившей информации диод мог вносить сумятицу в работу схемы защиты. КД521 были замечены в нехарактерном для диодов поведении.
При сборке был обнаружен вздувшийся новый конденсатор. Скорее всего это из-за того, что напряжение питания чуть завышено (ага совсем не много - до 30В). И эти, павшие в неравной борьбе железяки, были заменены на новые но на 50В.

На этом ремонт аппарата был закончен, он собран и поставлен на полку. И его ожидает еще долгая жизнь.